產品服務
概述
CHM-19型 微型測力傳感器采用不銹鋼材質,外形尺寸結構微小。適用于各種微小空間檢測,廣泛用于科研、測控、工業(yè)及自動化設備等檢測和測控領域。
特點
外形微?。?/p>
扁平結構;
可配放大器或顯示儀表。
技術參數

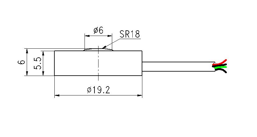
外形尺寸

CHM-19型 微型測力傳感器采用不銹鋼材質,外形尺寸結構微小。適用于各種微小空間檢測,廣泛用于科研、測控、工業(yè)及自動化設備等檢測和測控領域。
外形微?。?/p>
扁平結構;
可配放大器或顯示儀表。



